Rated best support and customer service 24 years

Franklin 1-1/2 or 1HP 230V Standard Control Box W/Overload

Questions? Call us: 866-960-9621

Standard Control Boxes 1/3HP Thru 10HP

<< Back

Franklin 1-1/2 or 1HP 230V Standard Control Box W/Overload
Franklin 1-1/2 or 1HP 230V Standard Control Box W/OverloadFranklin 1-1/2 or 1HP 230V Standard Control Box W/OverloadFranklin 1-1/2 or 1HP 230V Standard Control Box W/Overload

SKU: 2010

Price Includes Ground Shipping > $229.95
Quantity:
IN STOCK
Express Orders "Phone Only"
Factory Fresh Warranty

Questions? 866-960-9621

 IN STOCK!

Features

Franklin 1-1/2 or 1HP 230V Standard Control Box W/Overload

See tech brochure click here

  • Type: CONTROL BOX, STANDARD (with Overload/Red Button) (required for 3 wire motors)
  • HP: 1.5 or 1
  • Volts: 230
  • HZ: 60
  • Model No: 2823008110 or Replaces 2823008610

Technical Data

1.5HP Standard Control Box Wiring Diagrams

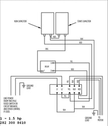
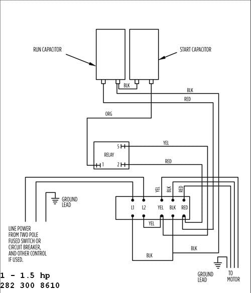
1.5HP Standard Control Box - 282 300 8610 Wiring Diagram

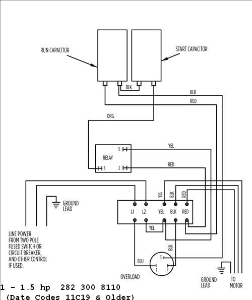
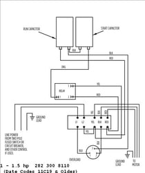
1.5HP (OLDER) Standard Control Box - 282 300 8110 Wiring Diagram

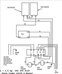
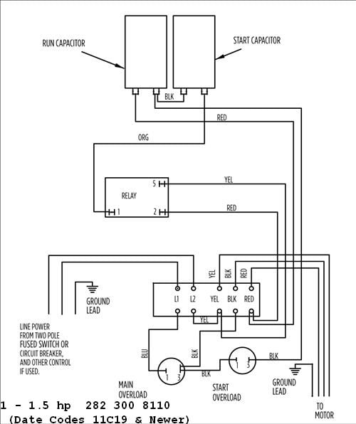
1.5HP (NEWER) Standard Control Box - 282 300 8110 Wiring Diagram

Control Box Parts

Franklin Standard Control Box Parts Breakdown

Franklin Electric Control Boxes Are In Stock and Ship FREE!

Product Reviews Write A Review

Comments

No reviews yet, be the first to review this product!

Product Q & A


Related Items
Franklin 1HP 230V CRC Control Box
Franklin 1HP 230V CRC Control Box


View Details
Franklin 1HP 230V QD Control Box
Franklin 1HP 230V QD Control Box

Price Includes Ground Shipping > $166.95

View Details
Franklin 3/4HP 230V QD Control Box
Franklin 3/4HP 230V QD Control Box

Price Includes Ground Shipping > $159.60

View Details