Rated best support and customer service 24 years

Franklin 15HP 230V Deluxe Control Box

Questions? Call us: 866-960-9621

Deluxe Control Boxes 2HP Thru 15HP

<< Back

Franklin 15HP 230V Deluxe Control Box
Franklin 15HP 230V Deluxe Control Box

SKU: 2021

Price Includes Ground Shipping > $2,398.20
Quantity:
IN STOCK
Express Orders "Phone Only"
Factory Fresh Warranty

Questions? 866-960-9621

 IN STOCK!

Multi purchase additional 5% discount. Call 866-960-9621 to place order.

Features

Franklin 15HP 230V Deluxe Control Box 

Should be used when operating with an external pressure switch or float.

  • Type: CONTROL BOX, DELUXE
  • HP: 15
  • Volts: 230
  • HZ: 60
  • Model No: 2822039330

Technical Data

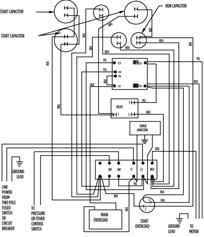
15HP Deluxe Control Box Wiring Diagram

15HP Deluxe Control Box - 282 203 9330 Wiring Diagram

Control Box Parts

Franklin Standard Control Box Parts Breakdown

Franklin Electric Control Boxes Are In Stock and Ship FREE!

Product Reviews Write A Review

Comments

No reviews yet, be the first to review this product!

Product Q & A


Related Items
Franklin 1/2HP 115V QD Control Box
Franklin 1/2HP 115V QD Control Box

Price Includes Ground Shipping > $151.20

View Details
Franklin 1/2HP 230V QD Control Box
Franklin 1/2HP 230V QD Control Box

Price Includes Ground Shipping > $151.20

View Details