Categories
Product Reviews Write A Review
Sort Reviews by: Date | Rating Comments
1




5 out of 5 stars
by EPB Scotsman
on November 11th 2021
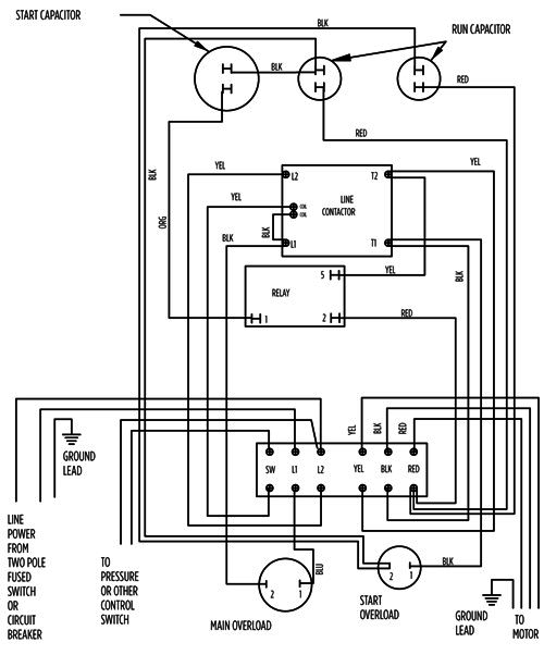
Franklin 5HP 230V Deluxe Control Box
Length of ownership: 1 week-1 month
Pros: Arrived promptly. Well packaged. Easy to install
Cons: None. very happy with it!
Product Q & A
| Related Items | ||||