Rated best support and customer service 24 years

Franklin 2HP 230V Standard Control Box

Questions? Call us: 866-960-9621

Standard Control Boxes 1/3HP Thru 10HP

<< Back

Franklin 2HP 230V Standard Control Box
Franklin 2HP 230V Standard Control Box

SKU: 2011

Price Includes Ground Shipping > $363.30
Quantity:
IN STOCK
Express Orders "Phone Only"
Factory Fresh Warranty

Questions? 866-960-9621

 IN STOCK!

NOTE: If you have a device in the upper left hand corner of your control box, you may have a deluxe control box. View Franklin Electric Deluxe Control Boxes 2HP - 15HP.

Features

Franklin 2HP 230V Standard Control Box

  • Type: CONTROL BOX, STANDARD
  • HP: 2
  • Volts: 230
  • HZ: 60
  • Model No: 2823018110

Technical Data

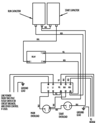
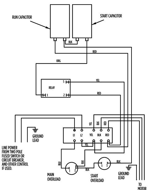
2HP Standard Control Box Wiring Diagram

2HP Standard Control Box - 282 301 8110 Wiring Diagram

Control Box Parts

Franklin Standard Control Box Parts Breakdown

Franklin Electric Control Boxes Are In Stock and Ship FREE!

Product Reviews Write A Review

Comments

No reviews yet, be the first to review this product!

Product Q & A


Related Items
Franklin 1-1/2 or 1HP 230V Standard Control Box W/Overload
Franklin 1-1/2 or 1HP 230V Standard Control Box W/Overload

Price Includes Ground Shipping > $229.95

View Details
Franklin 1HP 230V CRC Control Box
Franklin 1HP 230V CRC Control Box


View Details
Franklin 1HP 230V QD Control Box
Franklin 1HP 230V QD Control Box

Price Includes Ground Shipping > $166.95

View Details